机械零部件
当前位置:福建龙溪轴承(集团)股份有限公司 - 黄金甲体育产业 - 机械零部件 - 关节轴承 - 带座带锁口杆端关节轴承
SIR...ES

产品编号:SIR…ES 20~120

滑动磨擦副:钢/钢

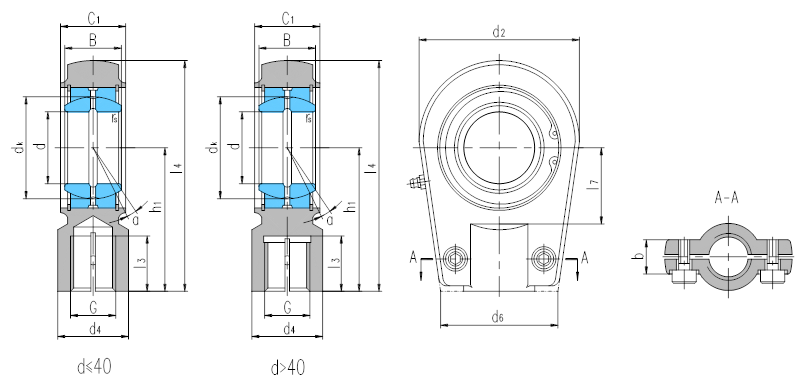
产品特点:带锁口杆端关节轴承由杆端体和向心关节轴承GE…ES组装而成,用挡圈固定,d<60,杆端体材料是碳钢,60≤d≤90,杆端体材料是碳钢或球墨铸铁,d>90,杆端体材料是球墨铸铁,SIR…ES杆端体的内螺纹带有锁口,配有螺钉紧固;SIRN…ES杆端体无锁紧螺钉,均可通过油杯润滑。

使用温度范围:-50℃~+150℃

  


轴 承

型 号

Bearing

number

  外 形 尺 寸

Dimensons             mm

额定载荷

Load ratings  kN

锁 紧

螺 钉

Screw

重 量

Weight

≈kg

d

B

dK

C1

 

d2

 

G

6H

h1

l3

 

l4

 

l7

 

d4

 

d6

 

b

rs

 

α˚

动载荷

Dynamic

静载荷

Static

SIR20ES

20

16

29

19

56

M16×1.5

50

17

80

25

25

46

20

0.3

9

30

81

M8×20

0.44

SIR25ES

25

20

35.5

23

56

M16×1.5

50

17

80

25

25

46

21

0.6

7

48

72

M8×20

0.47

SIR30ES

30

22

40.7

28

64

M22×1.5

60

23

94

30

32

50

26

0.6

6

62

106

M8×25

0.77

SIR35ES

35

25

47

30

78

M28×1.5

70

29

112

38

40

66

28

0.6

6

79

153

M10×30

1.24

SIR40ES

40

28

53

35

94

M35×1.5

85

36

135

45

49

76

33

0.6

7

99

250

M10×35

2.12

SIR50ES

50

35

66

40

116

M45×1.5

105

45

168

55

61

90

37

0.6

6

156

365

M12×40

3.74

SIR60ES

60

44

80

50

130

M58×1.5

130

59

200

65

75

120

46

1

6

245

400

M16×45

6.49

SIR60ES-D1)

SIR70ES

70

49

92

55

154

M65×1.5

150

66

232

75

86

130

51

1

6

313

540

M16×50

9.88

SIR70ES-D1)

SIR80ES

80

55

105

60

176

M80×2

170

81

265

80

105

160

55

1

6

400

670

M20×55

14.2

SIR80ES-D1)

SIR90ES

90

60

115

65

206

M100×2

210

101

323

90

124

180

60

1

5

488

980

M20×60

23.5

SIR90ES-D1)

SIR100ES

100

70

130

70

231

M110×2

235

111

360

105

138

200

65

1

7

607

1120

M24×65

32.14

SIR110ES

110

70

140

80

266

M120×3

265

125

407

115

152

220

74

1

6

654

1700

M24×80

47.6

SIR120ES

120

85

160

90

340

M130×3

310

135

490

140

172

257

84

1

6

950

2900

M24×80

72

  

1)杆端体采用碳钢锻造。

可装自润滑向心关节轴承。

若是左旋螺纹,轴承型号和螺纹标记需加“L”和“左”,例如:SILR40ES  M35×1.5左-6H。