SQG...
产品编号:SQG… 5~14
滑动磨擦副:钢/钢
产品特点:弯杆型球头杆端关节轴承球头座和球头杆的材料均为碳钢。
使用温度范围:-50℃~+150℃
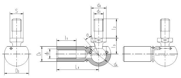
轴 承 型 号 Bearing number | 外 形 尺 寸 Dimensions mm | 额定静载荷 Static load ratings kN | 重 量 Weight ≈kg | ||||||||||
d1 | d2
| dk
| l1
| l2 | l3
| S | L1 | D1
| D3
| α˚ ≈ | |||
SQG5 | M5 | 8 | 8 | 10.2 | 10.2 | 9 | 7 | 22 | 8 | 12.8 | 10 | 2.2 | 0.015 |
SQG6 | M6 | 10 | 10 | 11.5 | 12.5 | 11 | 8 | 25 | 10 | 14.8 | 15 | 3.5 | 0.025 |
SQG8 | M8 | 13 | 13 | 14 | 16.5 | 13 | 11 | 30 | 13 | 19.3 | 15 | 6.6 | 0.053 |
SQG10 | M10 | 16 | 16 | 15.5 | 20 | 16 | 13 | 35 | 16 | 24 | 15 | 10 | 0.104 |
SQG12 | M12 | 16 | 16 | 15.5 | 20 | 16 | 13 | 35 | 16 | 24 | 15 | 16 | 0.104 |
SQG14 | M14×1.5 | 19 | 19 | 21.5 | 28 | 20 | 16 | 45 | 22 | 30 | 15 | 19 | 0.221 |
SQG14/B5 | M14×2 | 19 | 19 | 21.5 | 28 | 20 | 16 | 45 | 22 | 30 | 15 | 26 | 0.221 |
球头座杆螺纹也可为左旋,若是左旋,轴承型号和螺纹标记需加“L”和“左”,例如:SQGL5 M5左-6H。
