机械零部件
当前位置:福建龙溪轴承(集团)股份有限公司 - 黄金甲体育产业 - 机械零部件 - 关节轴承 - 自润滑型向心关节轴承
GEC…HTL

产品编号:GEC…HTL 320~1000

滑动磨擦副: 钢/PTFE编织物

产品特点:外圈径向分为两半,用螺钉锁紧,材料为碳钢,磷化,球面粘贴PTFE编织物;内圈材料为轴承钢,淬火,球面镀硬铬。

使用温度范围:-50℃~+150℃

  

    

  

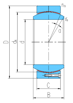
轴  承

型  号

Bearing

number

外 形 尺 寸

Dimensions          mm

额定载荷

Load ratings  kN

重 量

Weight

≈kg

d

D

B

C

dk

rs

min

r1s

min

α˚

动载荷

Dynamic

静载荷

Static

GEC320HTL

320

440

160

135

380

1.1

3

4

15390

25650

78

GEC340HTL

340

460

160

135

400

1.1

3

3

16200

27000

83

GEC360HTL

360

480

160

135

420

1.1

3

3

17010

28350

87

GEC380HTL

380

520

190

160

450

1.5

4

4

21600

36000

129

GEC400HTL

400

540

190

160

470

1.5

4

3

22560

37600

135

GEC420HTL

420

560

190

160

490

1.5

4

3

23520

39200

141

GEC440HTL

440

600

218

185

520

1.5

4

3

28860

48100

196

GEC460HTL

460

620

218

185

540

1.5

4

3

29970

49950

204

GEC480HTL

480

650

230

195

565

2

5

3

33050

55080

239

GEC500HTL

500

670

230

195

585

2

5

3

34220

57030

248

GEC530HTL

530

710

243

205

620

2

5

3

38130

63550

294

GEC560HTL

560

750

258

215

655

2

5

4

42240

70410

345

GEC600HTL

600

800

272

230

700

2

5

3

48300

80500

413

GEC630HTL

630

850

300

260

740

3

6

3

57720

96200

538

GEC670HTL

670

900

308

260

785

3

6

3

61230

102050

603

GEC710HTL

710

950

325

275

830

3

6

3

68470

114120

703

GEC750HTL

750

1000

335

280

875

3

6

3

73500

122500

790

GEC800HTL

800

1060

355

300

930

3

6

3

83700

139500

933

GEC850HTL

850

1120

365

310

985

3

6

3

91600

152670

1060

GEC900HTL

900

1180

375

320

1040

3

6

3

99840

166400

1198

GEC950HTL

950

1250

400

340

1100

4

7.5

3

112200

187000

1445

GEC1000HTL

1000

1320

438

370

1160

4

7.5

3

128760

214600

1768