产品编号:GE...XS/K 12~150
滑动磨擦副:钢/钢
产品特点:产品特点与GEC...XS系列相同。
使用温度范围:-50℃~+150℃
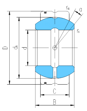
轴 承 型 号 Bearing number | 外 形 尺 寸 Dimensions mm | 额定载荷 Load ratings kN | 重 量 Weight ≈kg | ||||||||
d | D | B | C | dk | rs min | r1s min | α˚ ≈ | 动载荷 Dynamic | 静载荷 Static | ||
GE12XS/K | 12 | 22 | 11 | 9 | 18 | 0.5 | 0.5 | 7 | 13 | 68 | 0.019 |
GE15XS/K | 15 | 26 | 13 | 11 | 22 | 0.5 | 0.5 | 6 | 20 | 102 | 0.031 |
GE20XS/K | 20 | 32 | 16 | 14 | 28 | 0.5 | 0.5 | 4 | 33 | 166 | 0.054 |
GE22XS/K | 22 | 37 | 19 | 16 | 32 | 0.5 | 0.5 | 6 | 43 | 217 | 0.088 |
GE25XS/K | 25 | 42 | 21 | 18 | 36 | 0.5 | 0.5 | 5 | 55 | 275 | 0.128 |
GE30XS/K | 30 | 50 | 27 | 23 | 45 | 1 | 1 | 6 | 87 | 439 | 0.232 |
GE35XS/K | 35 | 55 | 30 | 26 | 50 | 1 | 1 | 5 | 110 | 552 | 0.291 |
GE40XS/K | 40 | 62 | 33 | 28 | 55 | 1 | 1 | 6 | 130 | 654 | 0.392 |
GE45XS/K | 45 | 72 | 36 | 31 | 62 | 1 | 1 | 5 | 163 | 816 | 0.609 |
GE50XS/K | 50 | 80 | 42 | 36 | 72 | 1 | 1 | 5 | 220 | 1100 | 0.885 |
GE55XS/K | 55 | 90 | 47 | 40 | 80 | 1 | 1 | 6 | 272 | 1360 | 1.29 |
GE60XS/K | 60 | 100 | 53 | 45 | 90 | 1 | 1 | 6 | 344 | 1720 | 1.84 |
GE65XS/K | 65 | 105 | 55 | 47 | 94 | 1 | 1 | 5 | 375 | 1870 | 2.03 |
GE70XS/K | 70 | 110 | 58 | 50 | 100 | 1 | 1 | 5 | 425 | 2125 | 2.28 |
GE75XS/K | 75 | 120 | 64 | 55 | 110 | 1 | 1 | 5 | 510 | 2570 | 3.08 |
GE80XS/K | 80 | 130 | 70 | 60 | 120 | 1 | 1 | 5 | 610 | 3060 | 4.04 |
GE85XS/K | 85 | 135 | 74 | 63 | 125 | 1 | 1 | 6 | 669 | 3340 | 4.44 |
GE90XS/K | 90 | 140 | 76 | 65 | 130 | 1 | 1 | 5 | 718 | 3590 | 4.79 |
GE95XS/K | 95 | 150 | 82 | 70 | 140 | 1 | 1 | 5 | 833 | 4165 | 6.07 |
GE100XS/K | 100 | 160 | 88 | 75 | 150 | 1.5 | 1.5 | 5 | 956 | 4780 | 7.56 |
GE110XS/K | 110 | 170 | 93 | 80 | 160 | 1.5 | 1.5 | 5 | 1080 | 5440 | 8.63 |
GE115XS/K | 115 | 180 | 98 | 85 | 165 | 1.5 | 1.5 | 5 | 1190 | 5960 | 10.4 |
GE120XS/K | 120 | 190 | 105 | 90 | 175 | 1.5 | 1.5 | 6 | 1330 | 6690 | 12.5 |
GE130XS/K | 130 | 200 | 110 | 95 | 185 | 1.5 | 1.5 | 5 | 1490 | 7460 | 14.0 |
GE150XS/K | 150 | 220 | 120 | 105 | 205 | 1.5 | 1.5 | 5 | 1820 | 9140 | 17.2 |
