公告编号:LXZC2023021001
福建龙溪轴承(集团)股份有限公司属漳州市属重点国有控股上市企业。现因生产需要,拟采购M1040无心磨床壹台,根据我司管理制度要求,拟采取内部邀请招标方式确定供应商。现欢迎潜在合格的供应商前来报名,参与该项目投标。
一、投标报名人的资格要求:
1.依法注册,具有独立法人的实体注册企业,具备履行合同所必需设备和专业技术能力的制造商、经销商、代理商;
2. 近三年与本项目相同或相类似的设备销售业绩。
二、报名须知
1.报名时间:2023年02月21日至 2023年02月24日。(上午:8:30~11:30、下午:14:00~17:00,法定节假日、双休日除外)
2. 报名方式:邮箱报名,参与投标的申请人须将公司的营业执照复件及近三年与本项目相同或相类似的设备销售业绩(列表用户名称、销售货物名称规格、数量、交货日期、运行状况,合同截图作为证据)加盖公章(如果是代理商还要提供制造厂家提供的代理授权书或代理授权证明)发至采购人指定邮箱,并写明“M1040无心磨床”采购与安装项目报名资料、公司名称、属地、项目联系人姓名、手机号码”。
3. 咨询电话:0596-2072080、0596-2025362(技术)每天上午 8:30至11:30 ,下午 14:00至 17:00(北京时间,法定节假日、双休日除外 )。
三、获取招标文件时间: 2023年02月27日。
四、获取招标文件方式:采购人将以电子邮件的形式发给各投标人。
五、采购技术要求:详见附件
六、采购单位:福建龙溪轴承(集团)股份有限公司
联 系 人:黄先生
邮箱:huangwx@xuncuxt.com
地址:福建省漳州市龙文区小港北路32号 邮编:363005
福建龙溪轴承(集团)股份有限公司
2023年 02月 21日
附件:
M1040无心磨床技术要求
一、项目简介
项目名称:M1040无心磨床采购与安装,数量1台。
预算金额:130000.00元(人民币)
交货期:1个月
二、主要技术参数
1.加工范围
(1)磨削工件直径
通磨(标准托架) 2~40mm
(2)最大磨削长度
通磨(标准托架) 140mm
2.设备主要功能、配置要求及技术指标
M1040型无心磨床
本机床适用于圆柱体零件、环形零件的无心通磨磨削,适合于大批量生产。
一、机床结构特点及性能
1、机床布局采用导轮架单面移动方式;
2、砂轮轴采用悬伸结构,更换砂轮方便;
3、砂轮轴采用多片式动压轴承;
4、导轮轴采用悬伸结构,更换导轮方便;
5、导轮轴采用内锥体式滑动轴承;
6、导轮调速采用交流变频无级调速;
7、用户可通过特殊订货方式选配切入机构、长工件通磨托架、冷却系统的磁性分离器等部件增强性能。
二、技术规格与参数
砂轮规格 PSA350×125×127mm
导轮规格 PSA250×125×75mm
砂轮转速 1870r/min
导轮转速 (无级)
工作转速 20~180r/min
修整转速 ≧250r/min
导轮回转角
垂直面内 -2°~ +4°
水平面内 0°~ +3°
手轮刻度每格进给量 0.002mm
砂轮与导轮中心连线至托架底面距离 190mm
机床总功率 9.03kW
机床外形尺寸 1550mm×1300mm×1400mm
机床净重 2000kg
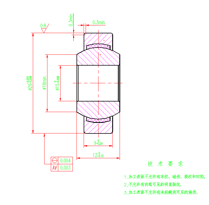
三、工作精度
(标准试件Φ20×75mm,45#钢)
圆度: 0.002mm
直径一致性: 0.002mm(通磨)
粗糙度: Ra0.32μm
3.设备平面布局图(含设备高度)
4.设备加工质量及验收要求
(1)设备加工质量及工艺要求
(2)验收型号及其要求
设备验收时,根据实际生产情况,双方协商选用其它产品型号作为验收型号,以产品磨削精度来验证设备加工精度,及对“主要技术参数”中的内容进行验收
5.工装清单
1.1专用工具
1.2附件清单
1.3设备验收关注点
a)设备功能要求;
b)设备精度指标;
c)设备主要配置;
d)节拍要求;
e)技术资料;
1.4设备技术要求未尽方面可按国家及行业标准配置并以满足甲方工艺技术要求为准必要时及时与甲方沟通。
1.5设备报价或分项报价(此合同为人民币含税价,并收到提货款后提供全额13%的专用增值税发票。总价格包括设备设计、制造、调试、运输、培训及一年(或二年)保修费用。)
三、设备技术要求总则
1.本技术要求为最低限度的技术要求,并未对一切技术细节做出规定,也未充分引述有关标准和规范的条文,供应商应保证提供符合或优于本技术规格书和有关工业标准的优质产品。
2.设备具备良好的人机对话功能,可全自动运行。设备节能环保、安全,操作维修方便,造型美观,运行稳定、可靠。
3.设备及其配套的零部件须保证是全新的,零部件、电气元件需选用国际品牌、国内驰名品牌。
4.所用的电气材料必须是中国强制性产品认证(CCC)的产品。
5.设备服务要求:供方在按上述供货范围提供设备的同时,须提供与之相应的伴随服务。包括:技术资料、安装调试、现场试运行、技术支持、技术服务、技术培训等,以及在文中未提及的、隐含的其他必须由供方提供的相关服务。
四、设备电气安装技术规范要求:
(一)配电箱要求
1、箱体牢固,密封,防尘,防水。
2、箱门转动灵活,接地可靠,接地点应标以接地符号。
3、门锁操作灵活可靠,能开门断电。
4、过渡接线箱的防护盖要密封防护。
(二)电气元器件要求
1、各电器元器件标识与电气原理图的标准电气符号相一致,并粘贴于易见处。
2、元器件固定牢固,安装位置必须与布局图相一致。
(三)线路部分要求
1、每条线缆都应有与电气原理图相一致的线号标记,线号清晰、齐全且不易褪色和脱落,线号排序遵循顺序原则。
2、导线截面积和颜色应符合电气规范要求。
3、布线方面要求美观、整洁、线与线之间排列平行不得交叉,线束、线管布置要平直。
4、强电、弱电的线路要分开布置,不得在同一束或者同一槽内敷设。
5、连接器件与线缆连接时护套应固定在线头上,保证线缆不受力。
6、电箱内的线缆应采用线槽平面布置。
7、机床外围线缆、线管要保持平直,线管间要平行,线管要编号齐全,管线头应紧固,管内线路严禁有中间接头。
8、各种线路的进出口处都应采取穿保护套,以防止损伤。
(四)安全方面
1、机床要配置容量合适的断路器作为设备电源总开关,并要求用户电源进线直接接到总开关的进线端,并在合适位置配置电源指示灯。电源总开关接线应遵循上进下出原则,确保安全;总进线端接线处应留有足够的线缆安装空间。
2、由多台设备或控制柜组成的生产线,用户仅提供一路电源总进线。
3、机床要有总接地端子排,所有的保护接地线均接在该端子排上,同时还要有专用的总接零端子排,所有的工作零线均接在该端子排上。
4、每一处有电气线路、电气元器件安装的位置均要实施保护接地以确保所有不带电的金属外壳均可靠接地保护。
5、每一个负载均应配置相应保护元件,以防止过载、短路或对地。
6、控制线路应配置相应保护元件。
(五)随机电气技术文件
1、电气原理图,纸质版和电子版各一份。
2、相关主要电气控制单元的操作说明书。
3、所有电器元器件的清单,包括型号、规格、生产厂家、数量等信息。
4、相关技术参数表,如包括但不限于变频器、伺服驱动器。
(图例)
四、售后服务、培训和技术资料等
1.中标人在签订合同时须提供厂家授权书或者合法有效供货证明,否则取消其中标资格。
2.乙方负责将设备运输到甲方,设备到达甲方后,甲方负责装卸(地点、电源等)及设备就位工作。乙方接到甲方通知后派人到甲方对设备进行调试,调试过程由甲方人员负责,乙方人员全程协助配合.
3.设备调试、验收期间乙方技术人员必须对甲方人员进行培训,人员培训是指设备操作培训。操作人员、机电修人员进行为期3天的技术指导培训。
4.保修:设备质保期为1年。在设备保修期内不收取零部件及其它费用(人为损坏因素除外),实行保修服务;并提供设备终身有偿售后服务。
5.设备保修期满之后,应提供广泛而优惠的技术支持及备件的供应。
6.维修响应:接到用户通知后,8小时内做出响应,48小时内给出明确解决方案,遵循尽量在最短时间内为用户解决问题的原则,如需要,在48小时内赶到现场。
7.提供壹套使用说明书。
8.提供出厂合格证明、装箱单。
9.文件资料:(电子版及纸制版各一套,软件部分电子版即可)
1)中文版设备操作和维护手册
2)设备结构图、工装及自制易损备件图等资料。
3)电气控制原理图等资料电子版及纸制版一套。(软件部分电子版即可)
4)备品备件清单(机械与电器)
五、附则
1、乙方应保证甲方在使用设备或其任何一部分时不受第三方提出侵犯专利权、商标权或工业设计权的指控。若发生第三方对乙方设备提出侵权指控,乙方与第三方交涉并承担发生的一切法律责任和费用。
2、本协议经双方签章后随买卖合同一并生效,是买卖合同的有效组成部分。若本协议内容与买卖合同相抵触,以买卖合同为准。
3、本协议一式四份,双方各存二份,与买卖合同具有同等法律效力。
4、甲方应对技术协议、乙方提供给甲方的所有资料和信息严格保密,不得泄露给第三方.
5、 本协议未尽事宜由双方协商解决。





